Dual Transmitter or Dual Receiver
Home / Modules / Small Modules / OZ200
Home » Products » Medium Modules » Dual Tx or Rx
- Features
- Options
- Applications
- 30 MHz to 3 GHz RF Bandwidth
- -40°C to +75°C Operating Case Temperature Range (1310 nm)
- Rugged Dust-Tight Housing
- 1310 nm, 1550 nm, CWDM Wavelengths
- High SFDR
- Automatic Optical Power Control
- Local LED and Monitor/Alarm Indications
- Wide DC Power Input Range, +9V to +30V
- Up to 5 modules can be mounted in a 19” 1RU OZ9800 chassis
- Lasers Conform to Class 1 Emission Level Per CDRH and IEC-825 (EN 60825) Standards
- Small Size, 3” x 5” x 1.25” / 78 x 128 x 32 mm
- Weight 315 grams 0.75 lb
- 4, 6 GHz Options
- Extended Low Frequency, down to 10 kHz
- Integrated WDM, Single Fiber Transport
- Integrated LNAs – Higher Gain, Better NF
- +5 VDC or +12 VDC Bias-T
- Multimode Fiber Capability (up to 3 GHz)
- Redundant GNSS/GPS Antenna Configurations
- Low Phase Noise Reference Transport
- Antenna Monitoring and Reporting
- Satellite Ground Station
- L, S, C Band Links
- Antenna Site Diversity
- MMDS
- Public Safety
- Antenna Remoting
- GPS Distribution
- In-Building DAS
- Features
- Options
- Applications
- 30 MHz to 3, 4, 6 GHz
- -40°C to +70°C Operating Case Temperature Range
- Adjustable Transmitter and Receiver RF Gain (30 dB or 60dB range each)
- Signal strength detectors
- Optional AGC in Transmitter and Receiver
- Digitally controlled via a microcontroller
- Interface via USB, I2C, or UART
- 1310 nm, 1550 nm, CWDM Wavelengths
- High SFDR
- 1310 nm, 1550 nm, CWDM Wavelengths
- +5V Supply Voltage
- Automatic Optical Power Control
- Local LED Alarm Indicators
- Uncooled Isolated DFB Lasers
- Lasers Conform to Class 1 Emission Level Per CDRH and IEC-825 (EN 60825) Standards
- Small Size, 19mm x 106mm x 9mm
- Weighs 32 Grams
- Integrated +35 dB High Gain Transmitter LNA
- Up to 60 dB RF Gain Tuning Range in Transmitter
- Access to RF RMS power measurement
- AGC
- Extended 1 MHz Low Frequency Available
- Low Phase Noise Reference Clock Distribution (10 – 200 MHz)
- Multimode Fiber Capability
- Package 4 in a single Blade (slot) of J3U or in a J3U Single card enclosure.
- MORE – CONTACT FACTORY
- RF Over Fiber Transport
- High Dynamic Range Links
- Teleport RF Signal Distribution
- High Density Deployments
- Antenna Site Diversity
- Phased Array Antenna Systems
- Radar Systems RF Signal Transport
- Avionics
- 4G LTE 5G CBRS
- Satcom
- Cellular Communications
Product Description
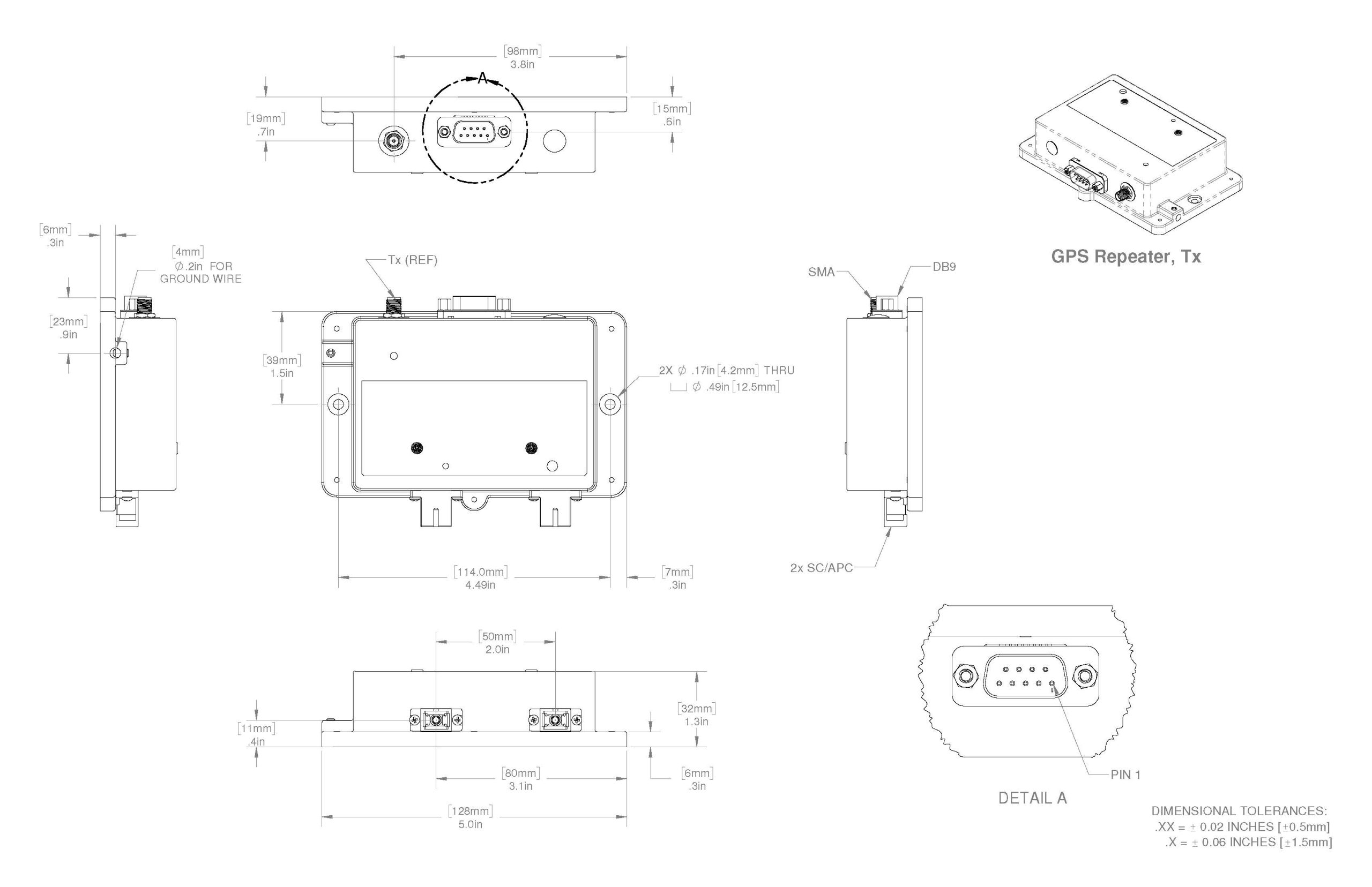
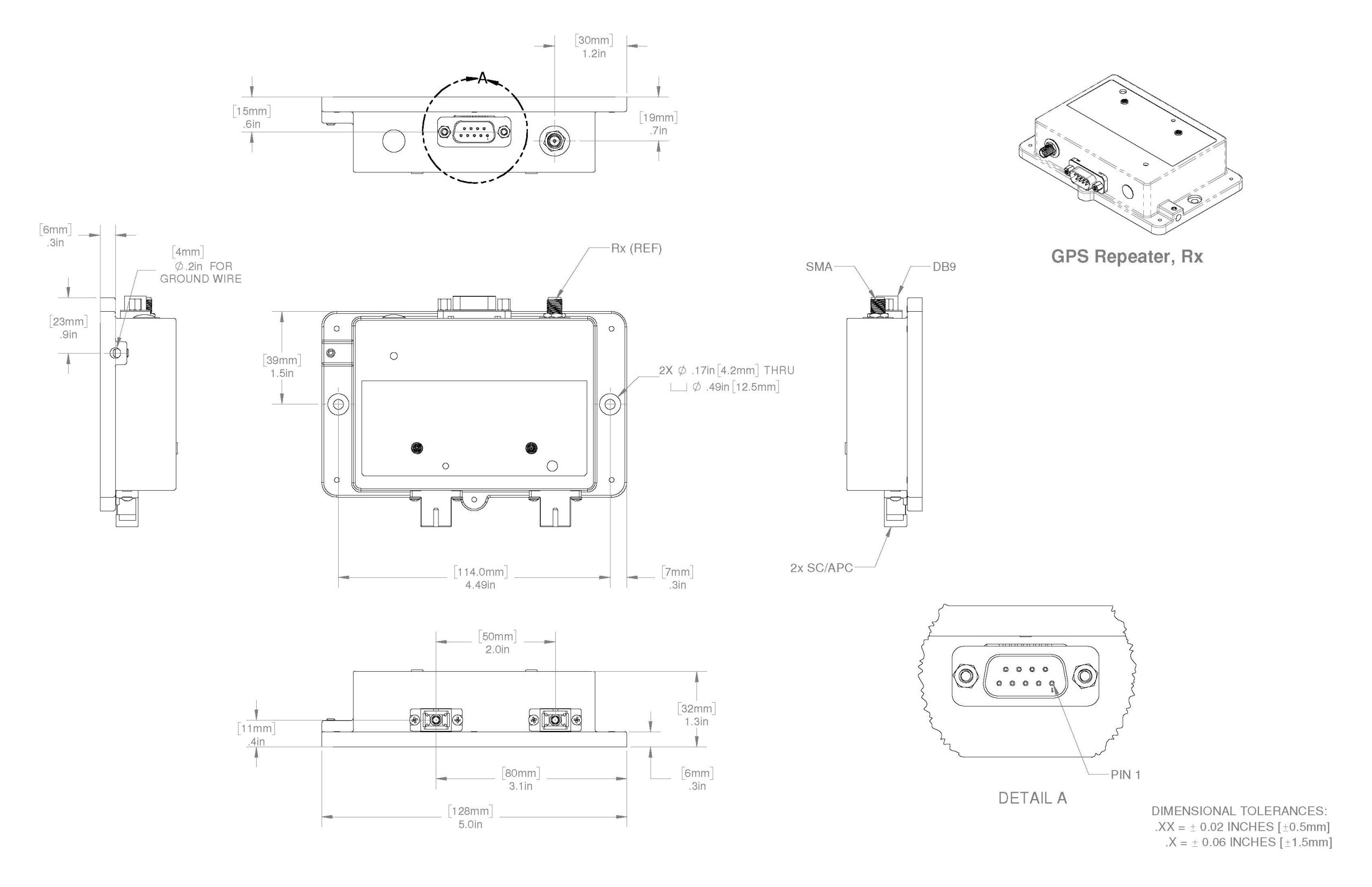
The popularity of OZ600 & OZ810 generated a demand for dual Tx or Dual Rx in the same enclosure. OZC developed “Dual” capabilities family with the same hardened dust proof enclosure. The broadband RF over Fiber capabilities of these flange mount module family are similar to the OZ600/OZ81x or OZ510 families. Modules can be ordered as a transmitter (Tx), a dual transmitter (2Tx), a receiver (Rx), a dual receiver (2Rx). The units can be configured for a fully redundant link where a duplicated source can be transported through two independent transmitters – via two independent fibers to 2 independent Receivers and a single OR dual RF output can provide an active link under any single point of failure. The antenna propagation is done via OZC’s proprietary technology – see GNSS/GPS Redundant Receiver. For a transceiver with the same form factor (transmitter + receiver) please see OZ600 standalone. The dual units have a wide dynamic range and supports RF transport in situations where transport distance or flexibility of cabling may prohibit the use of coaxial cable. Packaged in a rugged dust-tight cast metal housing, it provides high Spurious Free Dynamic Range (SFDR) transport for RF signals in the frequency range 30 MHz to 3 GHz. Optional extended bandwidth of 10 kHz (for lower roll off) is also available. Manual Gain Control is available to adjust end-to-end RF link gain and to optimize the receiver output RF level. The Tx unit(s) features a linear optically isolated DFB laser diode operating at 1310 nm or 1550 nm and/or a high performance InGaAs photodiode. CWDM wavelengths are also available. Standard transport is over 9/125 μm Single Mode Fiber, however Multimode fiber transport is also an option (contact Optical Zonu for details). The standard RF interface is 50 Ohm SMA and the standard optical interface is SC/APC (FC/APC is also available). Average Automatic Power Control (AAPC) provides closed loop control of the transmitter optical output power over the full operating temperature range. Alarm and monitoring functions are available through a DB9 connector. LEDs provide status of laser bias current (transmitter) and received optical power (receiver). The unit is powered from +12 VDC.
